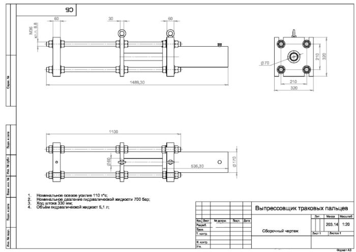
Выпрессовщик пальцев траковых цепей ARTAZ ВПТ110, гидравлический 110 т, ход 330 мм, 5 пуансонов

Артикул: ВПТ110
Нет на складе
Есть в наличии
Бренд: ARTAZ
0 руб
230 000 руб
+

Нет на складе

Способы доставки
  • Самовывоз (МСК и СПБ)
  • Яндекс.Доставка в МСК и СПб на условиях сервиса
  • ТК "Деловые линии", "ПЭК", "КИТ"
Способы оплаты
  • Наличными в офисе
  • Безналичный расчет с НДС (для юр.лиц и ИП)
  • Картой в офисе СПБ (терминал)
Описание: Выпрессовщик пальцев траковых цепей ARTAZ ВПТ110, гидравлический 110 т, ход 330 мм, 5 пуансонов

ВПТ110 — 110 т усилие, переносной гидравлический выпрессовщик пальцев, 4 стягивающие шпильки, для гусеничной спецтехники

Гидравлический выпрессовщик ВПТ110 предназначен для выпрессовки и запрессовки пальцев траковых цепей при обслуживании и ремонте гусеничной спецтехники. Оборудование рассчитано на применение в ремонтных зонах, сервисных подразделениях и выездных бригадах, когда важно выполнить работу без разборки крупных узлов и без ударных методов.

Усилие до 110 тонн позволяет уверенно работать с «прикипевшими» пальцами и сократить простои техники в сезон. Переносное исполнение упрощает использование на площадке или в полевых условиях, а 4 стягивающие шпильки обеспечивают стабильную фиксацию узла и точное приложение нагрузки. Гидравлический возврат штока ускоряет цикл работ и повышает безопасность, снижая риск перекоса при обратном ходе. В комплекте предусмотрены 5 пуансонов для подбора под типоразмер соединения, что помогает выполнять выпрессовку аккуратно и сохранять посадочные места. Рабочая жидкость — индустриальное масло И-20А, рабочее давление системы 70 мПа; конструкция ориентирована на регулярную эксплуатацию в условиях СТО и ремонтных мастерских.

Преимущества ВПТ110 для обслуживания ходовой части

  • Максимальное усилие: 110 т — для сложных соединений траковых цепей.
  • Ход поршня: 330 мм — удобство работы с разными узлами без частой переналадки.
  • Рабочее давление: 70 мПа — стабильная и прогнозируемая отдача по усилию.
  • Диаметр штока: 60 мм — надежность при высоких нагрузках.
  • Пуансоны: 5 шт — подбор оснастки под задачу, аккуратная выпрессовка.
  • Переносное исполнение, гидравлический возврат штока — быстрее цикл и выше контроль процесса.
Характеристики
  • Пуансоны, шт:
    5
  • Рабочее давление, мПа:
    70
  • Рабочая жидкость:
    масло индустриальное И-20А
  • Гарантия, мес:
    12
  • Вес, кг:
    203
  • Вид транспорта:
    Спецтехника
  • Тип устройства:
    выпрессовщик
  • Тип:
    гидравлический
  • Максимальное усилие, т:
    110
  • Применение:
    пальцы траковых цепей
  • Ход поршня, мм:
    330
  • Диаметр штока, мм:
    60
  • Исполнение:
    переносной
  • Страна производитель:
    Россия
  • Способ возврата штока:
    гидравлический
Отзывы
Пока нет отзывов
Написать отзыв
Имя*
Email
Введите комментарий*
Вы просматривали
  • Производитель:
    ARTAZ
  • Артикул:
    ВПТ110
  • Наличие на складах:
    Санкт-Петербург, Москва
  • Тип:
    гидравлический
  • Максимальное усилие, т:
    110
  • Применение:
    пальцы траковых цепей
0 руб
230 000 руб

Нет на складе

Выпрессовщик пальцев траковых цепей 110 тонн гидравлический ВПТ110 четыре стягивающие шпильки — переносной гидровыпрессовщик для спецтехники с усилием 110 т и ходом 330 мм. 5 пуансонов, гидровозврат штока, давление 70 МПа. В наличии Москва и Санкт-Петербург, гарантия 12 мес.
  • Производитель:
    ARTAZ
  • Артикул:
    ВСГ40(50)П-Пг
  • Наличие на складах:
    Санкт-Петербург, Москва
  • Тип:
    гидравлический
  • Максимальное усилие, т:
    50
  • Применение:
    пальцы и втулки
0 руб
195 000 руб

Нет на складе

Гидравлический выпрессовщик пальцев и втулок 50 тонн ВСГ40(50)П-Пг с пневмогидравлическим насосом для грузового транспорта и спецтехники. Усилие 50 т, ход 60 мм, пневмовозврат штока. Рабочее давление 70 мПа, масло. Переносной, в кейсе, 12 мес гарантии. Наличие Москва, СПб.
  • Производитель:
    ARTAZ
  • Артикул:
    ВПТ150-200
  • Наличие на складах:
    Санкт-Петербург, Москва
  • Тип:
    гидравлический
  • Расстояние между шпильками, мм:
    242
  • Максимальное усилие, т:
    143
0 руб
338 000 руб

Нет на складе

Выпрессовщик пальцев траковых цепей 143 тонны гидравлический ВПТ150-200 без насоса — мощное решение для спецтехники: усилие 143 т, ход 200 мм, 5 пуансонов. Гидровозврат штока, давление 70 мПа, масло И-20А. В наличии Москва и Санкт-Петербург. Гарантия 12 мес.
  • Производитель:
    ARTAZ
  • Артикул:
    ВСГ40(50)П-Рг2
  • Наличие на складах:
    Санкт-Петербург, Москва
  • Тип:
    гидравлический
  • Максимальное усилие, т:
    50
  • Применение:
    пальцы и втулки
0 руб
183 000 руб

Нет на складе

Выпрессовщик пальцев и втулок универсальный 50 тонн гидравлический ВСГ40(50)П-Рг2 с ручным насосом: 50 т усилия и 70 мПа для грузовиков и спецтехники. Переносной, в кейсе, ход 60 мм, пневмовозврат штока. Производство Россия, гарантия 12 мес, наличие Москва и СПб.